周波数応答2
周波数応答のStepUp編として、下の図のような「運動方程式」の章で説明した2軸リニアモータの例をとって解説します。
|

| 式A−8−1 式A−8−2 式A−8−3 |
ラプラス変換
式A−8に対し、ラプラス変換を行うと、式D−1の3つの式のようになります。
| 式D−1−1 式D−1−2 式D−1−3 式D−1−4 |
伝達関数と周波数特性
式D−1−3およびD−1−4について、個別に伝達関数を表現すると以下の図D−aのようになります。
| 図D−a |
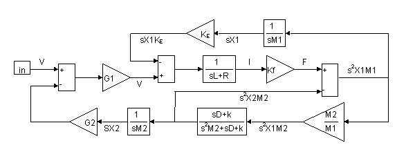
これらの伝達関数をもとに、このモデルの総合的な伝達関数を完成させました。これを下の図D−d−1に示します
| 図D−d−1 |
入力直後のゲイン G1 を位相余有および、ゲイン余有が十分あるように決定します。(「周波数応答1」で説明したとおり、オープンループでゲインを確定します。ここでは、 G2 の行き先を切断し OUT にして OUT/IN を解析してください。) ただし、各定数は以下のとおりです。
Kf=31.2 [N/A], Ke=35.5 [V/m/s], L=0.0023 [H], R=3.8 [Ω], M1=100 [Kg], M2=25 [Kg], k=5x108 [N/m], D=1.2x105 [N sec/m]
オープンループのボード線図は以下のようになります。ゲイン G1 は 3.5x104 で適正な値となっています。「周波数応答1」のモデルではゲインをひかえめに設定しましたが、ここでは、最大限ゲインを高く設定しました。(G2=1)
| 図C−d−2 |
最後にこのモデルをクローズドループにしてサーボをかけてボード線図を描いてみます。
| 図C−e−2 |
ボード線図の ゲイン−周波数 特性を調べると、約2000 [rad/sec] (=318[Hz]) あたりで、約3dB程度のピークを持ちます。これは、300Hz程度では、十分サーボの制御が可能であることを示しています。ただし、このモデルでは、空気のギャップ部分のばね定数をかなり大きくとって(高剛性のエアベアリング)、ゲインを高く設定できました。 市販のエアーベアリングでは、剛性は低い場合があり、ゲインも低く設定しなくてはならず、結果的に周波数特性が伸びないことが多いので注意してください。
また、ステージ上にZ機構やθ機構が搭載された場合は、上記でのばね定数が、エアーベアリングのばね剛性だけでなく、付加された機構におけるばね定数も加味されなければならず、周波数応答もさらに劣化します。基本的には、剛体でない機構部品については、必ず加速方向におけるばね定数を計算して、運動方程式に加えてください。
Copyright 2000 Shinobu Tokushima. All Rights Researved