周波数応答1
ここでは、伝達関数を作成しサーボ系の応答周波数を求めます。順序としては、1)運動方程式の作成 2)ラプラス変換 3)伝達関数作成 4)周波数応答の計算 という流れでダイナミックな応答のシミュレーションを実施できます。
まず、例題として下の図のような「運動方程式」の章で説明した単純な一軸リニアモータの例をとって解説します。
|

| 式A−7−1 式A−7−2 式A−7−3 |
ラプラス変換
式A−7に対し、ラプラス変換を行います。ラプラス変換の方法は簡単でd/dtの含まれるパラメータを変換します。ここでは、x → X, dx/dt → sX 、d2x/dt2 → s2X と変換してもらえれば良いです。また電流も di/dt → sI、i → I と変換します。これを行うと、式C−1の3つの式のようになります。
| 式C−1−1 式C−1−2 式C−1−3 |
伝達関数と周波数特性
伝達関数は、ラプラス変換された式に対して、出力/入力=ゲイン という関係で示されます。通常ゲインが定数の場合は三角で表示し、ゲインに sが含まれる時は四角で表わします。つまり、sは微分、1/sは積分という考え方で結構です。
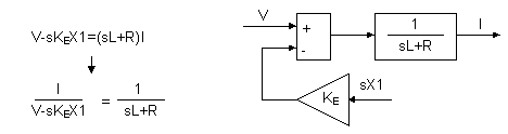
まず、式C−1−1について、式を整理して出力=I、入力=V-sKeX1、ゲイン=1/(sL+R) とします。また、入力=V-sKeX1を +V と、-Ke * sX1 の和と考えると、図C−aのような伝達関数として表現されます。
| 図C−a |
また、式C−1−2、式C−1−3についても、出力/入力=ゲインとして、図C−bのような伝達関数として表現されます。ただし、図C−aにおいて、Ke への入力が sX1 となっていることを考慮して、式C−1−3の場合は、出力を sX1 としています。
| 図C−b |
| 図C−c |
これらの伝達関数 C−a、C−b、C−cをつなげてしまえば、このモデルの総合的な伝達関数が完成します。これを下の図C−d−1に示します。Input が 1 で、入力のゲインも 1 としてあります。
この伝達関数の各定数に値を入力し、周波数特性をグラフにしたもの(ボード線図)が、図C−d−2です。ボード線図の上図が ゲイン−周波数 の関係を、下図が 位相−周波数 の関係を表わします。ボード線図を作成する際、伝達関数の入力値(図C−d−1における In1 )はここでは電圧 V となっておりますので、出力値(図C−d−1における Out1 )はディメンジョンを合わせて sX とする必要があります。各値は、Kf=31.2 [N/A], Ke=35.5 [V/m/s], L=0.0023 [H], R=3.8 [Ω], M1=100 [Kg] を入力しました。(リニアモータはあるメーカーのコマーシャルモデルの値を代入しました。) また、周波数応答のグラフは、市販のPC上ソフトウェアで簡単に作成できますので利用すると便利です。
| 図C−d−1 |
| 図C−d−2 |
上の周波数応答のグラフは、まだゲインも決定されていないものです。つぎは、このゲインを決定します。
入力直後のゲインをいろいろ変化させて周波数応答のボード線図を何回か描いて下さい。その中で、位相余有(ゲイン−周波数のゼロクロス点で位相が90度ずれるまで、あと何度くらいのこされているか)が45度程度あるようにゲインを決定します。また、ゲイン余有(位相が90度回転したときのゲイン)が十分ある(グラフ上では十分マイナス側に下がっている)ことが必要です。
これらのことに注意して、ここではゲインを20000と決めました。この時の伝達関数とボード線図を下図C−eに表わしました。
| 図C−e−1 |
| 図C−e−2 |
最後にこのモデルをクローズドループにしてサーボをかけたようにしてボード線図を描いてみます。ここでは、速度に相当する sX1 を入力 V に返して、速度ループによるサーボで制御した場合をシミュレーションしてみました。
ボード線図の ゲイン−周波数 特性を調べると、約1200 [rad/sec] (=127[Hz]) あたりで、約3dB程度のピークを持ちます。これは、120Hz程度では、十分サーボの制御が可能であることを示しています。
| 図C−f−1 |
| 図C−f−2 |
この章では、基本的なモデルについて解析を行いましたが、現実のモデルはかなり複雑になります。別の章「周波数応答2」において、現実的な例を紹介しますので参考にしてください。
Copyright 2000 Shinobu Tokushima. All Rights Researved